专注智能照明方案领域
Wi-Fi + BLE RGB控制板
一、Wi-Fi + BLE RGB控制板简介
QH-602BJRGB_V02是由弘沃科技自主研发的一款Wi-Fi+蓝牙双模无线智能遥控LED控制器产品;
它由高度集成的控制IC、电容、电感、晶振、DC头等部件构成;通过外接灯带、灯串、面板灯等能够实现灯光控制功能;通过弘沃科技免费Wi-Fi公版
APP(科技生活Pro)用户可以实现灯光颜色调节、音乐律动、定时等功能,适用于智能家居氛围灯控制、庭院氛围灯、娱乐场所氛围灯等应用场景。
二、主要参数
| 产品型号 | QH-602BJRGB_V02 | 工作温度 | -20 ~ +60℃ |
| 额定电压 | 12-24V | 接线方式 | 共阳 |
| 输出回路 | 3路RGB | 信号方式 | Wi-Fi+红外 |
| 支持系统 | iOS / Android | 控制方式 | Wi-Fi+BLE+红外 |
| 最大输出电流 | 5A/CH | 控制器方式 | APP、Wi-Fi 、红外、语音控制 |
| 最大输出功率 | 144W | 应用范围 | 灯条、面板灯等恒压灯具 |
| 语音控制 | 小度、小爱、天猫精灵、科大讯飞、Google Home、Amazon Echo | 支持语言 | 中文,英文 |
支持Wi-Fi2.4GHZ 8. 2.11B/G/N无线网络
可以通过移动网络支持远程/本地控制主账户可以与其他账户(子账户)共享
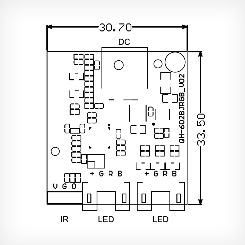
三、Wi-Fi + BLE RGB控制板板框尺寸图
四、Wi-Fi + BLE RGB控制板接号位说明
| 序号 | 位号 | 接口定义 |
| 1 | DC | 电源 |
| 2 | IR | 红外 |
| 3 | LED | 灯带接口 |

